欢迎您访问天津首安测控技术有限公司官方网站

公司简介 联系我们 网站地图

欢迎来电咨询

022-59903145

红外调频光源

当前位置: 主页 > 产品展示 > 红外调频光源

德国Micro-Hybrid调频黑体红外光源 低成本 高功率

2022-11-13 15:49 已有 人浏览 小编

分类红外调频光源

产品德国Micro-Hybrid调频黑体红外光源 低成本 高功率

尺寸

长度

价格

电话 022-59903145

德国Micro-Hybrid调频黑体红外光源 低成本 高功率 5V供电 135mA电流长寿命...

详情介绍

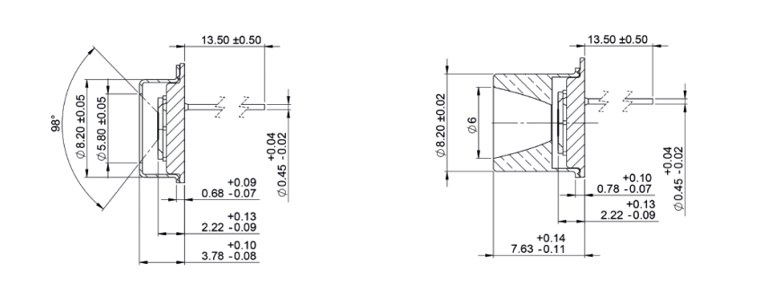
德国Micro-Hybrid调频黑体红外光源 

低成本 高功率 

5V供电   135mA电流

长寿命  

德国Micro-Hybrid调频黑体红外光源 低成本 高功率 (图1)

德国Micro-Hybrid调频黑体红外光源 低成本 高功率 (图2)

德国Micro-Hybrid调频黑体红外光源 低成本 高功率 (图3)

德国Micro-Hybrid调频黑体红外光源 低成本 高功率 (图4)

德国Micro-Hybrid调频黑体红外光源 低成本 高功率 (图5)

德国Micro-Hybrid调频黑体红外光源 低成本 高功率 (图6)